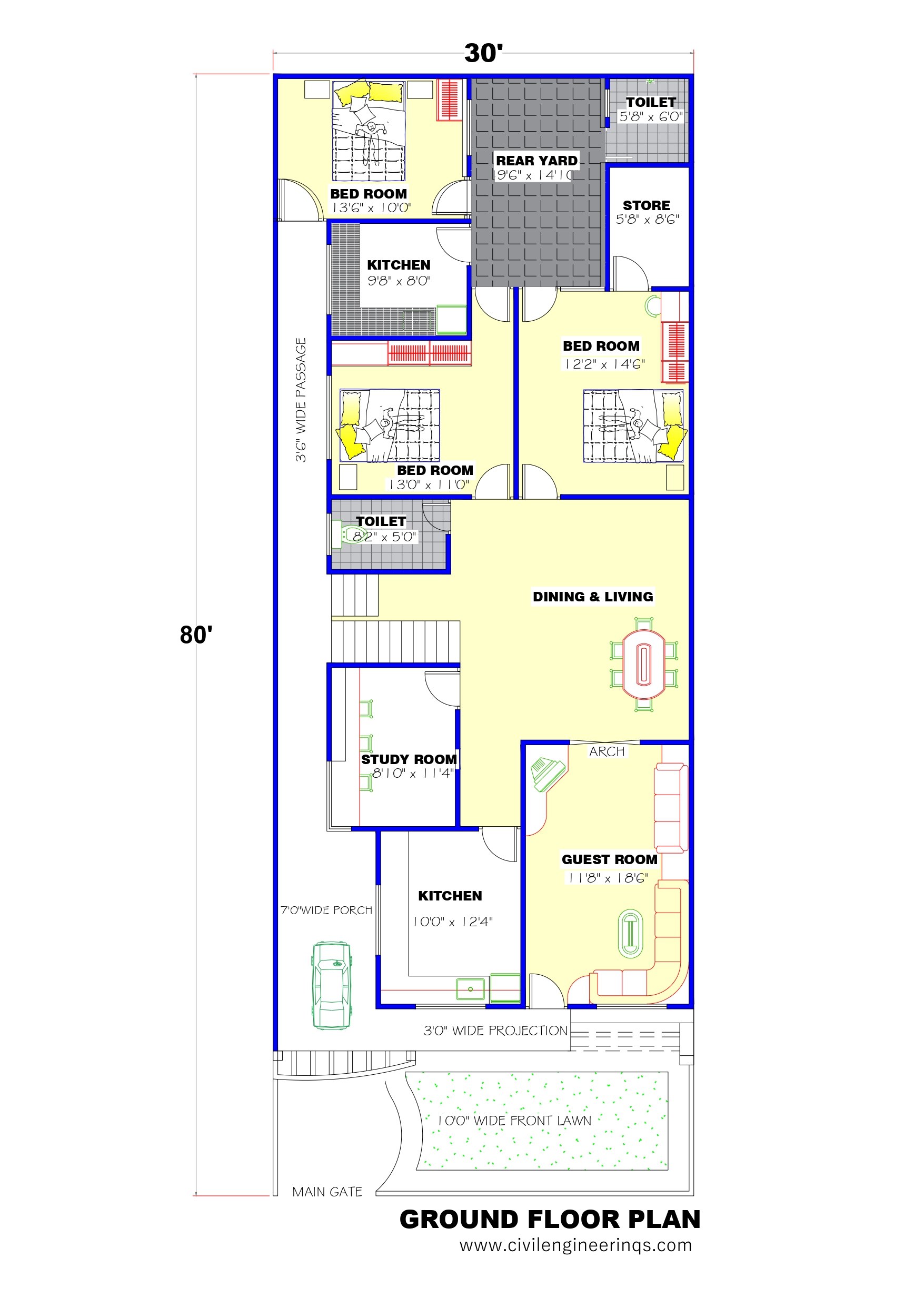
30 x 80 -Floor Plan with Elevation
Plot Size: 30′ x 80′ – 04 Bedroom House Design, 7BHK including GF-3BHK+Guest Room & FF-3BHK
Building Type: Ground Floor & First Floor -Approximate 2400 sqft
Purpose: Ideal for Rental House
Ground Floor Features
-
Bedroom 1: 13’6″ x 10’0″ – Located at the rear-left corner.
-
Bedroom 2: 13’0″ x 11’0″ – Center-left bedroom, accessible from the main hall.
-
Bedroom 3: 12’2″ x 14’6″ – Rear-right spacious bedroom, accessible from the main hall.
-
Dining & Living Area: Centrally placed
-
Guest Room: 11’8″ x 18’6″ – Large front-right room with an arch opening, ideal for hosting guests.
-
Kitchen 1: 9’8″ x 8’0″ – Located near the rear bedrooms, ideal for serving inner sections.
-
Kitchen 2: 10’0″ x 12’4″ – Front kitchen connected to the study and living areas.
-
Study Room: 8’10″ x 11’4″ – Left side front room, perfect for a home office or study zone.
-
Toilet 1: 5’8″ x 6’0″ – Top-right corner, near the rear yard.
-
Toilet 2: 8’2″ x 5’0″ – Middle-left, shared between central bedrooms.
First Floor Features
-
Dining & Living Area: Central spacious area connecting all rooms.
-
Bedroom 1: 13’6″ x 10’0″ – Rear-left side, identical to ground floor layout.
-
Bedroom 2: 13’0″ x 11’0″ – Center-left, adjacent to the stair and toilet.
-
Bedroom 3: 12’2″ x 14’6″ – Rear-right, matching ground floor design.
-
Kitchen 1: 9’8″ x 8’0″ – Rear section kitchen for upper-floor use.
-
Kitchen 2: 10’0″ x 12’4″ – Front kitchen with good access to study and TV rooms.
-
Study Room: 8’10″ x 11’4″ – Left front area, can be used as office or small library.
-
TV Room: 11’8″ x 18’6″ – Front-right corner, ideal for entertainment and lounging.
-
Toilet 1: 5’8″ x 6’0″ – Top-right corner, accessible from the rear yard.
-
Toilet 2: 8’2″ x 5’0″ – Center-left, convenient for guests and family.
